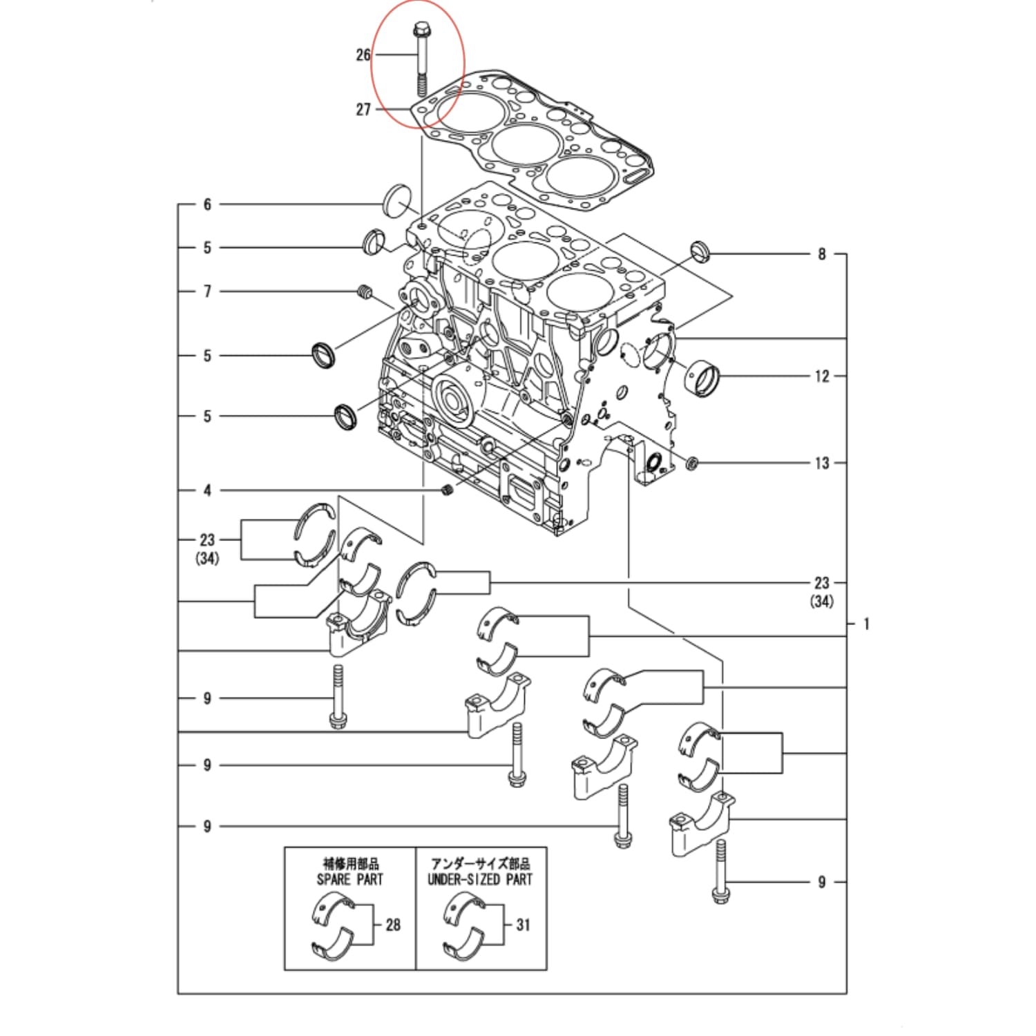
AngebotZylinderkopfschraube 3TN75 | 3TNV76 | 3TNE78 | 3TNE82 | 3TNV82 | 3YM30 | 3TNE82
12,50 €8,50 €
Auf Lager

Hoogwaardige cilinderkopbouten | kopbout voor betrouwbare montage van jouw Yanmar motorblok.
Deze set is geschikt voor diverse Yanmar 3-cilinder motoren uit de TNV- en TNE-serie.
Voor een complete montage zijn 14 bouten (14Q) benodigd.
? Technische gegevens:
✔️ Toepassing: 3TNV76 en verwante Yanmar motoren
✔️ Aantal benodigd: 14 stuks per motor
✔️ Materiaal: gehard staal – OEM kwaliteit
✔️ Doel: bevestiging cilinderkop bij revisie of vervanging
Yanmar motoren:
OEM ter referentie:
• 119810-01200
• 11981001200
• YM119810-01200
• YM11981001200