Angebot
Handbuch Wartungshandbuch Yanmar 2TNV70 – 3TNV70 – 3TN76 | Goldoni | Takeuchi | Hitachi
HandbuchBeschreibung
? Servicehandbuch für Yanmar-Dieselmotoren – TNV-Serie
Für Motortypen: 2TNV70, 3TNV70, 3TNV76
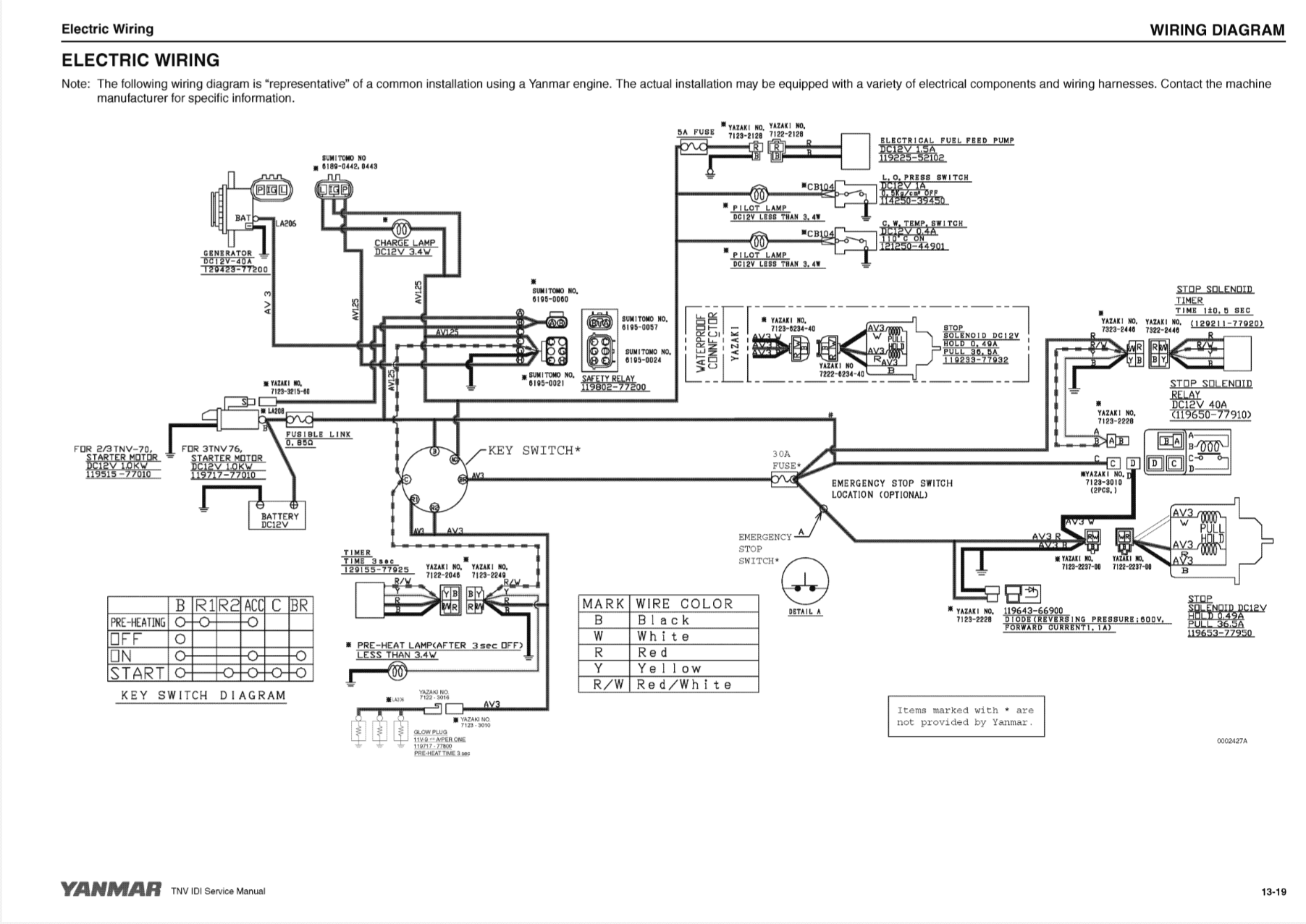
Dieses originale Yanmar-Servicehandbuch ist der perfekte technische Leitfaden für Mechaniker, Profis und erfahrene Heimwerker, die mit Dieselmotoren der TNV-Serie arbeiten. Ideal für Wartung, Reparatur und ein umfassendes Verständnis des Motors.
✅ Inhalt des Handbuchs:
-
Vollständige technische Daten der Motoren 2TNV70, 3TNV70 und 3TNV76
-
Spezifikationen , Toleranzen, Anzugsdrehmomente, Ventilspiele und mehr
-
Schritt-für-Schritt-Anleitungen für Wartung, Demontage, Inspektion und Montage
-
Explosionszeichnungen und Diagramme zur einfachen Teileidentifizierung
-
Ausführliche Informationen zu Kraftstoffsystem, Kühlung, Schmierung und Innenteilen
? Spezifikationen:
-
Sprache: Englisch
-
Seitenanzahl: 140
-
Format: Digitale Reproduktion mit hoher Auflösung (PDF), ideal zum Ausdrucken oder zur Nutzung auf Laptop/Tablet
?️ Anwendungen:
Häufig verwendet unter anderem in:
-
Minibagger
-
Kompakttraktoren
-
Industriemaschinen
-
Aggregate und Pumpensysteme
Ammann
-
AV 12-2, AV 16-2, AV 16-2 K, AV 20-2
Fuchs
-
F853
Gehl
-
AL-140
Goldoni
-
Boxster 20, Boxster 25
Hitachi
-
ZX 17-U5A, ZX 19-U5A, ZX 26U-5A (Z-Achse)
John Deere
-
X495, X595, X740, X744, X748, X950
-
1026R, 2026R, 2305, 2320
-
XUV 850D
Komatsu
-
3D70E, 3D76E
-
PC22MR-3, PC26MR-3
Kramer
-
250, 348-00, 0001 →
Landini
-
4630 ARM, 4630 ISM
Maeda
-
MC-305C-2
Mase
-
IS 7,6, IS 8,1, Mariner 810
McCormick
-
4630 ARM, 4630 ISM
Mosa
-
GE 10 YSX, GE 10 YSXC, GE 8 YSXC
Mustang
-
AL-106, 1503, 2803ZT
Takeuchi
-
TB219, TB20R
Valpadana
-
4630 ARM, 4630 ISM
Wacker Neuson
-
1404, 1703, 2003, 2404, 28Z3, ET18, ET20, ET24, EZ17, EZ28
Yanmar
-
SV15, SV17, SV18
-
Motoren: 3TNV70, 3TNV70-ASA, 3TNV70-HGE, 3TNV76


